


kurz DGRL, Niveau-Überwachung (optisch), Einschraubteil 46 bar
Log in om de prijs te zien
Beschrijving
Anwendung
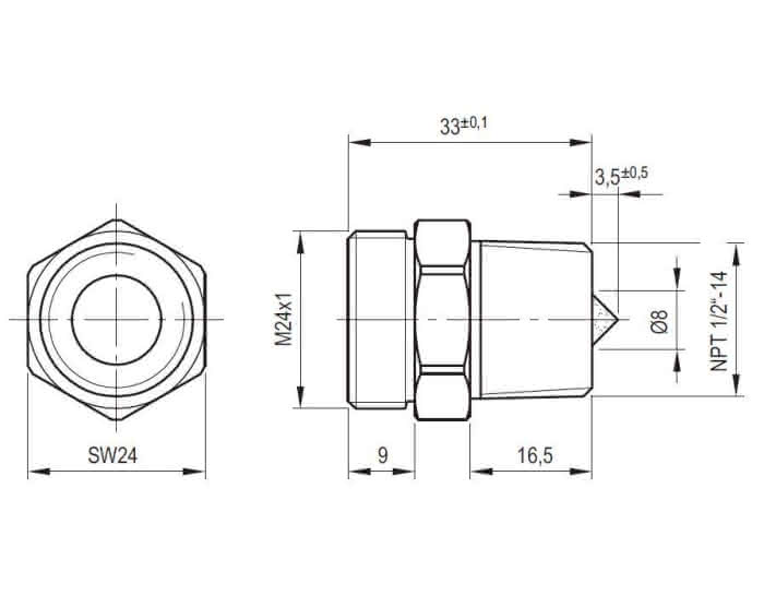
Die optische Niveauüberwachung von KRIWAN wird zur berührungslosen Einpunktmessung von Flüssigkeitsniveaus eingesetzt, z.B. bei Verdichtern, Pumpen, Behältern, usw. Die Lösung besteht aus Einschraub- und Auswerteteil. Das Einschraubteil zur optischen Niveauerfassung wird fest an der Messstelle eingebaut.
Das elektronische Auswerteteil kann montiert oder ausgetauscht werden ohne den Kreislauf des zu überwachenden Mediums zu öffnen.
Funktionsbeschreibung
Lichtimpulse des Gerätes treffen auf den Glaskegel und werden bei Flüssigkeit gebrochen und bei gasförmiger Umgebung reflektiert. So erkennt die montierte Auswerteelektronik den Flüssigkeitsstand sicher.
