


Log in om de prijs te zien
Beschrijving
Anwendung
Die optische Niveauüberwachung von KRIWAN wird zur berührungslosen Einpunktmessung von Flüssigkeitsniveaus eingesetzt, z.B. bei Verdichtern, Pumpen, Behältern, usw. Die Lösung besteht aus Einschraub- und Auswerteteil. Das Einschraubteil zur optischen Niveauerfassung wird fest an der Messstelle eingebaut.
Das elektronische Auswerteteil kann montiert oder ausgetauscht werden ohne den Kreislauf des zu überwachenden Mediums zu öffnen.
Funktionsbeschreibung
Lichtimpulse des Gerätes treffen auf den Glaskegel und werden bei Flüssigkeit gebrochen und bei gasförmiger Umgebung reflektiert. So erkennt die montierte Auswerteelektronik den Flüssigkeitsstand sicher.
Specificaties
Entry type
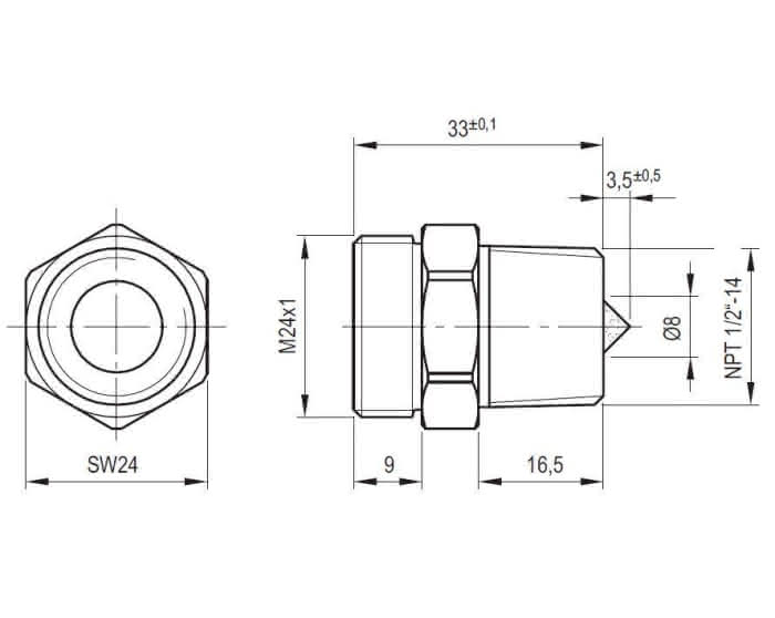
NPT (DGRL)
Inlaat
1/2" Zoll
Koudemiddel
A1 ohne CO2; A2L; A3; NH3 (R717); CO2 (R744)
Materiaal
Stahl, vernickelt
Maximaal Bedrijfsdruk
140 (-10...120°C), 105 (-30...-10°C) bar
Maximaal mediatemperatuur
120 °C
Minimaal mediatemperatuur
-30 °C
Omgevingstemperatuur
-30...60 °C
Type
Einschraubteil NPT 1/2" DGRL
Versie
Einschraubteil für Füllstandsüberwachung
gewicht zonder verpakking
0,05 kg
Daten und Abbildungen ohne Gewähr
