Log in om de prijs te zien
Beschrijving
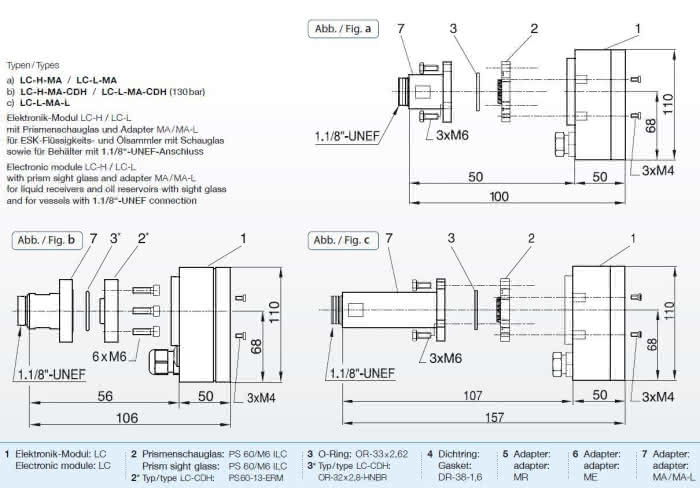
Minimal-Füllstandskontrolle LC-L und LC-L/M
Maximal-Füllstandskontrolle LC-H und LC-H/M
Die Füllstandskontrolle LC ist in unterschiedlichen Ausführungen lieferbar und wird an die entsprechenden Behälter und Geräte montiert.
Anwendung:
ESK-Füllstandskontrollen Typ LC sind für die Kältemittel HFKW / HFCKW, R744 (CO2) sowie für R 290, R 600a und R717 im Standard freigegeben. (Für weitere Kältemittel auf Anfrage erhältlich)
Die genannten ESK-Komponenten sind ausschließlich für die Anwendung in Kälteanlagen bestimmt. Eine Inbetrieb nahme ist nur unter der Voraussetzung zulässig, dass der Einbau entsprechend den gesetzlichen Vorschriften erfolgte. Alle Komponenten werden entsprechend den geltenden Regeln konstruiert und gefertigt.
Das Produkt erfüllt folgende Bestimmungen:
- EMV Richtlinie 2004 / 108 / EG
- Niederspannungsrichtlinie 2006 / 95 / EG
- RoHS Richtlinie 2011 / 65 / EU



