


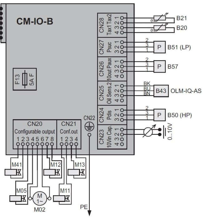
Bitzer -Uitbreidingskaart CM-IO-B 34770240 <p><strong>Zubehörartikel- kein Einzelverkauf</strong></p><p>montiert und verkabelt</p>
Artikelnummer: 0156304Leverancierscode: Zubehör (34770240)
Artikel eenheid conversie: 1 Stuk(s)Matchcode: IQCMIOB​
Zubehörartikel- kein Einzelverkauf
montiert und verkabelt
Log in om de prijs te zien
Specificaties
Type
CM-IO-B
Daten und Abbildungen ohne Gewähr
